
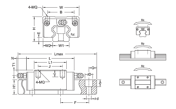
| 型号 | 组合尺寸(mm) | 滑块尺寸(mm) | 导轨尺寸(mm) | ||||||||||||
| H | W | W2 | E | L | B×J | MQ×1 | Li | 油孔 | T1 | N | W1 | H1 | F | d×D×h | |
| BRH45B | 70 | 86 | 20.5 | 14 | 138.2 | 60×60 | M10×16.5 | 105 | M8×1 | 18.5 | 16 | 45 | 38 | 105 | 14×20×17 |
| 型号 | 基本负荷(kgf) | 容许静力矩(kgf*m) | 参考数据(mm) | 重量 | |||||||
| 静额定负荷 | 动额定负荷 | Mx | My | Mz | Lmax | G | 滑块(kg) | 导轨(kg/m) | |||
| BRH45B | 6500 | 10500 | 236.3 | 137.8 | 137.8 | 4000 | 22.5 | 2.3 | 12.3 | ||
电话:133-5818-3019
邮箱:252761808@qq.com
地址:江苏省常州市武进区长三角模具城
网址:https://www.abbajx.com