当前位置: 首页 >> 产品中心

产品中心

联系我们

电话:133-5818-3019
邮箱:252761808@qq.com
地址:江苏省常州市武进区长三角模具城
在线咨询
  • 产品型号:BRH15B
  • 产品品牌:ABBA
  • 产品价格:来电洽谈
  • 采购电话:133-5818-3019
立即咨询
  • 产品详情
  • 联系我们

  

 

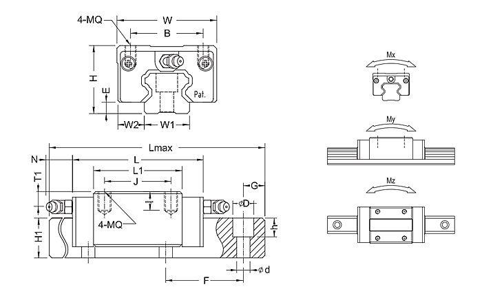
BRH15B

型号 组合尺寸(mm) 滑块尺寸(mm) 导轨尺寸(mm)
H W W2 E L B×J MQ×1 Li 油孔 T1 N W1 H1 F d×D×h
BRH15B 28 34 9.5 4.6 66 26×26 M4×6.4 40 Ø3 8.3 5 15 14 60 4.5×7.5×5.3
型号 基本负荷(kgf) 容许静力矩(kgf*m) 参考数据(mm) 重量
静额定负荷 动额定负荷 Mx My Mz Lmax G 滑块(kg) 导轨(kg/m)
BRH15B 850 1350 10.1 6.8 6.8 4000 20 0.19 1.4



 

引起台湾ABBA直线导轨BRH15B产生噪音的原因及解决
 
       很多人在使用导轨的过程中都会碰到导轨散发噪音的情况,以至于影响自己的使用,令我们很头痛,那么,一旦遇到这样的情况,我们要如何处理呢?
 
       首先,我们来分析一下ABBA直线导轨BRH15B产生噪音的原因:
 
       1、在灰尘比较大的工作环境中容易出现ABBA导轨的噪音情况;
 
       2、不同的设备,要求的预压不同,预压不同代表着导轨与滑块之间的配合间隙不一样,会随着出现噪音情况;
 
       3、润滑的油脂不同,也会ABBA导轨的噪音;
 
       4、导轨安装的原因,很多导轨在安装的时候,由于打孔不够精确,导致导轨在安装的时候已经产生了微量形变,这样长此以往的用下去,就会产生噪音,严重一点的话,导轨滑块会损坏的很快;
 
       那么,针对上面的情况,我们相对应的解决办法就应该是:
 
       1、在灰尘比较大的行业中,增加防尘装置,甚至可以考虑采用直销导轨的保护罩;
 
       2、根据不同的设备,使用前调整预压;
 
       3、根据不同型号的上银导轨,要选用ABBA导轨专用油;
 
       4、在ABBA直线导轨BRH15B安装的时候,严格按照标准来做,不要为省一时的工作而做出资源的浪费;
 
       其实,在ABBA直线导轨BRH15B的使用过程中,难免会遇到各种各样的问题,但是,只要对应的策略正确,那么就很容易解决这些问题。

 

常州爱彼彼爱机械有限公司

电话:133-5818-3019

邮箱:252761808@qq.com

地址:江苏省常州市武进区长三角模具城

网址:https://www.abbajx.com

返回列表

常州爱彼彼爱机械有限公司

主要经营台湾ABBA产品:直线导轨、滑块;滚珠丝杆;光轴、直线轴承、箱式单元;精密锁紧螺母;交叉滚子导轨;微型导轨等系列产品。 在线咨询
133-5818-3019