
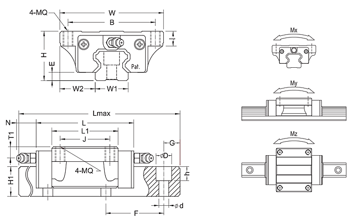
| 型号 | 组合尺寸(mm) | 滑块尺寸(mm) | 导轨尺寸(mm) | ||||||||||||
| H | W | W2 | E | L | B×J | MQ×1 | Li | 油孔 | T1 | N | W1 | H1 | F | d×D×h | |
| BRH30AL | 42 | 90 | 31 | 9 | 131.3 | 72×52 | M10×12 | 94.3 | M6×1 | 7 | 15.6 | 28 | 26 | 80 | 9×14×12 |
| 型号 | 基本负荷(kgf) | 容许静力矩(kgf*m) | 参考数据(mm) | 重量 | |||||||
| 静额定负荷 | 动额定负荷 | Mx | My | Mz | Lmax | G | 滑块(kg) | 导轨(kg/m) | |||
| BRH30AL | 3600 | 6400 | 89.6 | 75.4 | 75.4 | 4000 | 20 | 1.4 | 5.2 | ||
电话:133-5818-3019
邮箱:252761808@qq.com
地址:江苏省常州市武进区长三角模具城
网址:https://www.abbajx.com